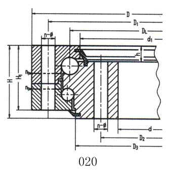
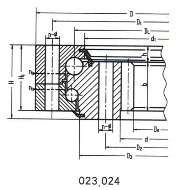
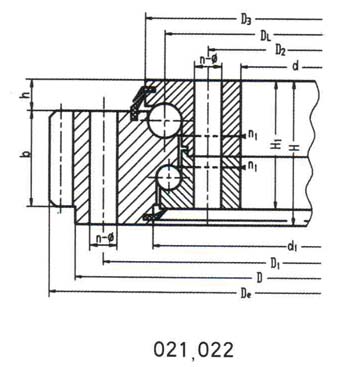
(02 series)Double-row spherical type |
|
CHARACTERISTIC OF STRUCTURE,PERFORMANCE AND APPLICATION |
![]() ![]() ![]() |
|
No. |
Basic Type |
Configuration size |
Mounting size |
sturctural |
Gear date |
Ext Gear |
Int Gear |
weight | ||||||||||||||
|
Toothless |
Ext Toothless
|
INt
Toothless |
D |
d |
H |
D1 |
D2 |
dn1 |
dm1 |
L |
n |
n1 |
H1 |
h |
b |
m |
da |
Z |
da |
Z | ||
|
1 |
020.25.500 |
021.25.500 |
023.25.500 |
616 |
384 |
106 |
580 |
420 |
18 |
M16 |
20 |
4 |
96 |
26 |
60 |
5 |
644 |
126 |
357 |
72 |
100 | |
|
022.25.500 |
024.25.500 |
6 |
646.8 |
105 |
350 .4 |
59 | ||||||||||||||||
|
2 |
020.25.560 |
021.25.560 |
023.25.560 |
676 |
444 |
640 |
480 |
5 |
704 |
138 |
417 |
84 |
115 | |||||||||
|
022.25.560 |
024.25.560 |
6 |
706.8 |
115 |
410.4 |
69 | ||||||||||||||||
|
3 |
020.25.630 |
021.25.630 |
023.25.630 |
746 |
514 |
710 |
550 |
24 |
6 |
790.8 |
129 |
482.4 |
81 |
130 | ||||||||
|
022.25.630 |
024.25.630 |
8 |
790.4 |
96 |
475.2 |
60 | ||||||||||||||||
|
4 |
020.25.710 |
021.25.710 |
023.25.710 |
826 |
594 |
790 |
630 |
6 |
862.8 |
141 |
560.4 |
94 |
140 | |||||||||
|
022.25.710 |
024.25.710 |
8 |
862.4 |
105 |
555.2 |
70 | ||||||||||||||||
|
5 |
020.30.800 |
021.30.800 |
023.30.800 |
942 |
658 |
124 |
898 |
702 |
22 |
M20 |
30 |
6 |
114 |
29 |
80 |
8 |
982.4 |
120 |
619.2 |
78 |
200 | |
|
022.30.800 |
024.30.800 |
10 |
988 |
96 |
614 |
62 | ||||||||||||||||
|
6 |
020.30.900 |
021.30.900 |
023.30.900 |
1042 |
758 |
998 |
802 |
8 |
1086 .4 |
133 |
715.2 |
90 |
250 | |||||||||
|
022.30.900 |
024.30.900 |
10 |
1088 |
106 |
714 |
72 | ||||||||||||||||
|
7 |
020.30.1000 |
021.30.1000 |
023.30.1000 |
1142 |
858 |
1098 |
902 |
36 |
10 |
1198 |
117 |
814 |
82 |
300 | ||||||||
|
022.30.1000 |
024.30.1000 |
12 |
1197.6 |
97 |
796.8 |
67 | ||||||||||||||||
|
8 |
020.30.1120 |
021.30.1120 |
023.30.1120 |
1262 |
978 |
1218 |
1022 |
10 |
1318 |
129 |
924 |
93 |
340 | |||||||||
|
022.30.1120 |
024.30.1120 |
12 |
1317.6 |
107 |
916.8 |
77 | ||||||||||||||||
|
9 |
020.40.1250 |
021.40.1250 |
023.40.1250 |
1426 |
1074 |
160 |
1374 |
1126 |
26 |
M24 |
40 |
5 |
150 |
39 |
90 |
12 |
1497.6 |
122 |
1012.8 |
85 |
580 | |
|
022.40.1250 |
024.40.1250 |
14 |
1495.2 |
104 |
1013.6 |
73 | ||||||||||||||||
|
10 |
020.40.1400 |
021.40.1400 |
023.40.1400 |
1576 |
1224 |
1524 |
1272 |
12 |
1641.6 |
134 |
1156.8 |
97 |
650 | |||||||||
|
022.40.1400 |
024.40.1400 |
14 |
1649.2 |
115 |
1153.6 |
83 | ||||||||||||||||
|
11 |
020.40.1600 |
021.40.1600 |
023.40.1600 |
1776 |
1424 |
1724 |
1476 |
45 |
14 |
1845.2 |
129 |
1349.6 |
97 |
750 | ||||||||
|
022.40.1600 |
024.40.1600 |
16 |
1852.8 |
113 |
1350.4 |
85 | ||||||||||||||||
|
12 |
020.40.1800 |
021.40.1800 |
023.40.1800 |
1976 |
1624 |
1924 |
1676 |
14 |
2055.2 |
144 |
1545.6 |
111 |
820 | |||||||||
|
022.40.1800 |
024.40.1800 |
16 |
2060.8 |
126 |
1542.4 |
97 | ||||||||||||||||
|
13 |
020.50.2000 |
021.50.2000 |
023.50.2000 |
2215 |
1785 |
190 |
2149 |
1851 |
33 |
M30 |
48 |
8 |
178 |
47 |
120 |
16 |
2300.8 |
141 |
1702.4 |
107 |
1150 | |
|
022.50.2000 |
024.50.2000 |
18 |
2300.4 |
125 |
1699.2 |
95 | ||||||||||||||||
|
14 |
020.50.2240 |
021.50.2240 |
023.50.2240 |
2455 |
2025 |
2389 |
2091 |
16 |
2540.8 |
156 |
1942.4 |
122 |
1500 | |||||||||
|
022.50.2240 |
024.50.2240 |
18 |
2552.4 |
139 |
1933.2 |
108 | ||||||||||||||||
|
15 |
020.50.2500 |
021.50.2500 |
023.50.2500 |
2715 |
2285 |
2649 |
2351 |
56 |
18 |
2804.4 |
153 |
2203.2 |
123 |
1700 | ||||||||
|
022.50.2500 |
024.50.2500 |
20 |
2816 |
138 |
2188 |
110 | ||||||||||||||||
|
16 |
020.50.2800 |
021.50.2800 |
023.50.2800 |
3015 |
2585 |
2949 |
2651 |
18 |
3110.4 |
170 |
2491.2 |
139 |
1900 | |||||||||
|
022.50.2800 |
024.50.2800 |
20 |
3116 |
153 |
2488 |
125 | ||||||||||||||||