欢迎来到徐州西马克回转支承有限公司!
阿里巴巴店铺
|
网站地图
|
在线留言
|
联系我们
服务热线 :
0516-87769952
首页
企业概况
新闻中心
产品展示
解决方案
技术支持
联系我们
建一流集团 做世界强企
创领先价值 铸百年品牌
首页
>
技术支持
>
产品应用
产品应用
回转支承承载能力曲线
回转支承技术支持
单排四点接触式回转支承(01)
了解详情
单排四点接触式回转支承(HS)
了解详情
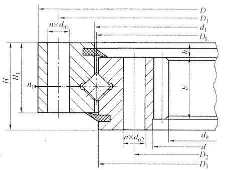
单排交叉滚柱式回转支承(HJ系列)
了解详情
单排四点接触球式回转支承(QU、QW、QN系列)
了解详情
三排滚柱式回转支承(13系列)
了解详情
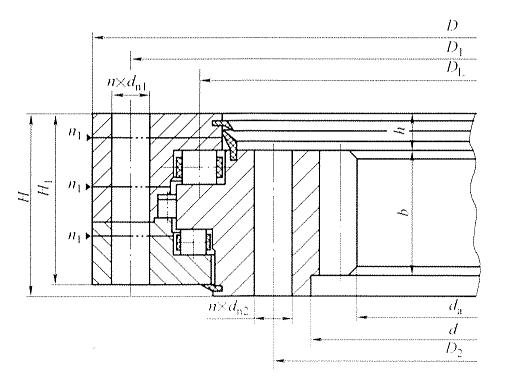
双排球式回转支承(02系列)
了解详情
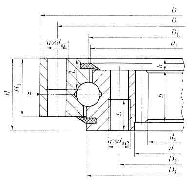
单排交叉滚柱式回转支承(11系列)
了解详情
产品应用
单排四点接触式回转支承(01)
单排四点接触式回转支承(HS)
单排交叉滚柱式回转支承(HJ系列)
单排四点接触球式回转支承(QU、QW、QN系列)
三排滚柱式回转支承(13系列)
双排球式回转支承(02系列)
单排交叉滚柱式回转支承(11系列)
承载能力曲线
回转支承承载能力曲线图(JB/T 2300—2018)
双排异径球式回转支承承载能力曲线图
单排交叉滚柱式回转支承承载能力曲线图
三排滚柱式回转支承承载能力曲线图
技术支持
回转支承选型计算方法
回转支承产品标准对合理选型的影响
合理选用回转支承 《建筑机械》1996年第八期
回转支承早期断齿分析及解决措施
影响支承承载能力的四个参数
首页
上一页
1
下一页
尾页